明纬MEAN WELL NES-50-12 【价格|报价|参数|选型|货到付款】-自动化商城
我的自动化

0

去购物车结算
订购电话:400-672-8859在线客服

全部商品分类

您当前的位置:首页 >> 工业电源 >> 工业开关电源 >> 通用开关电源 >> 明纬 >> NES-50-12

明纬 MEAN WELL NES-50-12
DC VOLTAGE:12V,4.2A    VOLTAGE ADJ. RANGE:10.8~13.2V    EFFICIENCY(Typ.):78%    

产品型号:
NES-50-12
市场价:
¥139.0编号:AM01F0300330002
会员价:
¥92.0(6.618705折)
VIP成为VIP可享受更多优惠什么是VIP?
货期:
运费:
标准快递方式:快递标准费用
货到付款方式:快递标准费用+服务费查看运费规则
 
  • DC VOLTAGE:
  • VOLTAGE ADJ. RANGE:10.8~13.2V
  • EFFICIENCY(Typ.):78%
我要买:
-
+
(件)
立即购买
加入购物车
如您需要多个型号商品一起下单,可以尝试多商品报价下单功能
变频柜

型号:NES-50-12

参数:DC VOLTAGE:12V,4.2A    VOLTAGE ADJ. RANGE:10.8~13.2V    EFFICIENCY(Typ.):78%    

品牌:明纬

商品描述


分割线

型号描述


分割线

接线方式


分割线

系列简介及说明

·AC input range selected by switch<br />·Protections:Short circuit/Over load<br />·Cooling by free air convection<br />·LED indicator for power on<br />·Fixed switching frequency at 27KHz<br />·1 year warranty
分割线

使用说明

NES系列质保2年,带CE,CB,3C,UL等认证。
分割线

安装方式

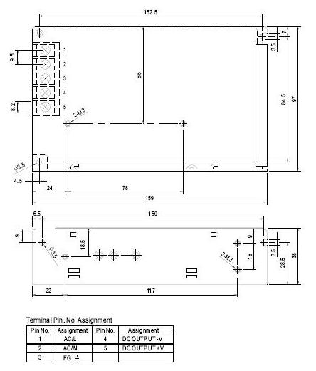
<b>Mechanical Specification<br /><br /><img alt="S-50 series安装方式" width="444" height="521" src="/UserFiles/Image/S-50%20series/%E5%B0%BA%E5%AF%B8%E5%9B%BEa.jpg" /></b>
分割线

购买必读

 
  • 购买咨询
我要咨询
咨询类型:
内容:
提交
 
  • 商品评价
购物帮助
网站简介 | 典型客户 | 安全说明 | 网站声明 | 加入收藏夹
400客服电话: 400-672-8859 客服信箱
自动化商城 ©2001—2025 Allrights Reserved
京ICP证040842号-1 | 京公网安备11010802020292号经营许可证编号:京B2-20210302
经营性网站备案信息 电信与信息服务业务经营许可证 中国互联网违法和不良信息举报中心 海淀网络警察

官方微信
二维码

公众号

官方微信
小程序

小程序

购物车
在线客服
回到顶部