型号:JWSL-5ACWD防护型温湿度变送器
参数:输出信号:三线制4~20mA输出 安装方式:壁挂安装 显示模式:带液晶显示
品牌:昆仑海岸

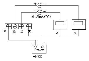
接线方式

出厂测试线颜色默认为
红色(电源正或两线制温度供电正)
黄色(温度输出)
兰色(湿度输出)
黑色(地或两线制湿度供电正)
图例中A,B为显示仪表,执行器或采集卡,A路对应湿度输出,B路对应温度输出。
两线制4mA~20mA电流远传:可以独立供电(温度和湿度两路信号彼此隔离)
三线制电流远传
三线制电压输出
网络型
红:电源正
黄:变送器接收(232RX)或差分电平正(485+)
蓝:变送器发送(232TX)或差分电平负(485-)
黑:电源地

系列简介及说明

传感、变送一体化设计,适用于暖通级室内环境或通风管道内的温湿度测量。采用专用温度补偿电路和线性化处理电路。传感器性能可靠,使用寿命长,响应速度快。

系列用途

适用于通讯机房、办公室、厂矿、车间、仓库、医院、档案观、博物馆、楼宇自控等要求防尘,条件较差的场所的温湿度测量。

选型表

<img height="260" alt="JWSL-5系列防护型温湿度变送器选型表" width="388" src="/UserFiles/Image/JWSL-5%E7%B3%BB%E5%88%97%20%E9%98%B2%E6%8A%A4%E5%9E%8B%E6%B8%A9%E6%B9%BF%E5%BA%A6%E5%8F%98%E9%80%81%E5%99%A8/%E9%80%89%E5%9E%8B%E8%A1%A8a.jpg" />

注意事项

1.使用前请认真阅读本说明书,确保接线正确,任何错误接线均有可能对变送器造成不可逆伤害。 <br />2.避免在易于传热且会直接造成与待测区域产生温差的地带安装,否则会造成温湿度测量不准确。 <br />3.安装在环境稳定的区域,避免直接光照,远离窗口及空调、暖气等设备,避免直对窗口、房门 <br />4.安装高度为人体坐高或主要要求环境条件的设备高度 <br />5.防止化学试剂、油、粉尘等直接侵害传感器,勿在结露、结冰、高温环境下使用。请勿进行冷、热冲击。 <br />6.变送器作为计量器具,检定周期为一年,请在检定后按修正值使用。

接线方式

出厂测试线颜色默认为 <br />红色(电源正或两线制温度供电正) <br />黄色(温度输出) <br />兰色(湿度输出) <br />黑色(地或两线制湿度供电正) <br />图例中A,B为显示仪表,执行器或采集卡,A路对应湿度输出,B路对应温度输出。 <br />两线制4mA~20mA电流远传:可以独立供电(温度和湿度两路信号彼此隔离) <br /><img alt="JWSL-5系列防护型温湿度变送器接线方式" src="/upload/1660132131logo.jpg" /> <br />三线制电流远传 <br /><img alt="JWSL-5系列防护型温湿度变送器接线方式" src="/upload/7393720282logo.jpg" /> <br />三线制电压输出 <br /><img alt="JWSL-5系列防护型温湿度变送器接线方式" src="/upload/8378044708logo.jpg" /> <br />网络型 <br /> 红:电源正 <br /> 黄:变送器接收(232RX)或差分电平正(485+) <br /> 蓝:变送器发送(232TX)或差分电平负(485-) <br /> 黑:电源地 <br />